润滑泵是一种润滑设备,按照不同的传动方式、润滑方式和泵的原理等多种方式进行分类,应用领域广泛,可用于真空干燥、低温制冷、电子器件,食品加工、医药化工、机械制造,等众多领域。
产品特点
能满足较恶劣的使用环境要求(高温、粉尘等)
性能稳定,使用寿命长
维护保养简单,方便操作
适用范围广,性能稳定
应用领域
科学研究、加速器、碳化硅、晶体晶振、真空炉、电真空、新能源、新材料、真空干燥、低温制冷、电子器件
技术指标
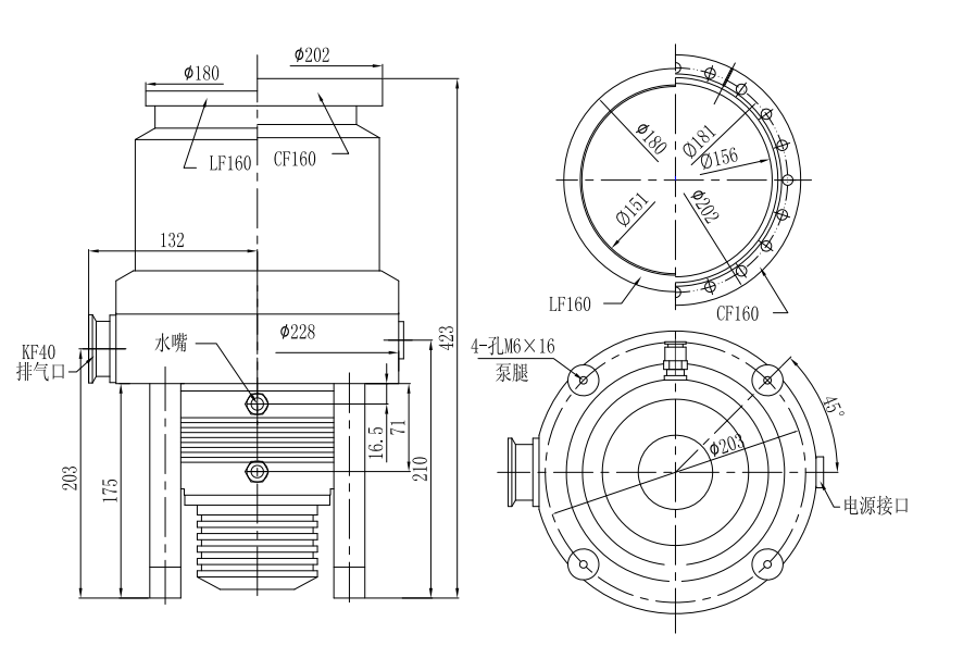
进气口法兰:DN160 CF DN160 ISO-K
排气口法兰(ISO-KF):DN40
抽速速率(L/s):N2:600 He:380 H2:240 Ar:580
压缩比:N2:1E9 He:1E4 H2:1E3 Ar:1E9
极限压强(Pa):CF:6E-7 ISO-K:6E-6
最大连续前级压强(Pa):240
最大前级压强(Pa):N2:350
最大气载量(sccm):N2:1200 He:880 H2:700 Ar:450
额定转速(RPM):27000
启动时间(min):≤7
冷却方式:水冷
冷却水流量(L/min):≥1
冷却水温度(℃):≤25
电源电压(V AC):DC24/AC220
最大功率(W):≤500
适配电源型号:FD-II、FD-IIB、TCDP-II、TD-II
建议前级泵(L/s):4~8
重量(kg):29(LF) 30.5(CF)
尺寸

产品特性

FF-160/620油润滑泵应用于真空干燥由北京中科科仪股份有限公司 为您提供,如您想了解更多关于FF-160/620油润滑泵应用于真空干燥报价、参数等信息 ,欢迎来电或留言咨询。

拨打电话
发送询价