- 工作原理:
光学
- 应用行业:
气象服务;
交通与航空安全,道路监控;
冬季运动;
水利及能源应用
- 仪器特点:
远距离测量雪深,数据精确;
各种加热功能延长了激光二极管的寿命,并且能够在各种环境下提供准确的测量数据;
一体化,防水外壳;
倾斜角度可自动计算,安装方便;
有效抑制散射光;
能够区别雪和其他自然物体;
使用光学测量方法,使其不受温度和风的影响;
免维护操作:不需要校准或更换干燥剂
| 技术规格 | ||
|---|---|---|
| 测量参数 | 雪深 | |
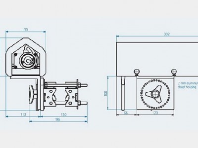
| 基本配置 | 规格 (长x宽x高) | 302mm × 130mm × 234mm |
| 重量 | 2,35 kg | |
| 操作条件 | ||
| 工作温度 | -40°C...+50 °C | |
| 相对湿度 | 0%...100% | |
| 测量参数 | 雪深 | 0 ... 15 m |
| 安装距离 | 0,1 ... 16 m | |
| 精度(雪深) | ± (5 mm + 0.06 %) | |
| 可重复性 | 0.6 mm | |
| 中间精度/ 可重复性 | 5 mm | |
| 数据接口 | RS485 | ASCII, UMB 协议 |
| RS232 | ASCII 协议 | |
| SDI-12 | SDI-12 协议 | |
| 数据传输模式 | 轮询 (UMB, ASCII, SDI-12); 自动发送报文 (ASCII) | |
| 电气参数 | 功耗在24 Vdc 到 10 s 的激光测量间距 | 无加热: 约0.7 W; 窗口加热: 约3.4 W |
| 供电 | 12, 24 VDC | |
| 最大功耗(与加热器接通电源) | 18 W | |
| 安全参数 | 激光等级 | 激光等级 2 (IEC 60825-1:2014) |
| 防护等级 | IP68 | |
| EMC | EN 61326-1:2012 (工业标准) | |
| EC | 2014/30/EU & RoHS 2011/65/EU | |
HACH哈希 路赋德 SHM31激光雪深计由哈希水质分析仪器(上海)有限公司 为您提供,如您想了解更多关于HACH哈希 路赋德 SHM31激光雪深计报价、参数等信息 ,欢迎来电或留言咨询。



拨打电话
发送询价